В статье рассмотрим маркировку приводных ремней, включая ручейковые (генератора) и клиновые, а также расшифровку их обозначений. Понимание маркировки важно для автолюбителей и специалистов, так как это позволяет правильно выбирать и заменять детали, обеспечивая надежную работу двигателя и других систем автомобиля. Предоставим таблицы с обозначениями, которые помогут быстро ориентироваться в характеристиках ремней и сделать осознанный выбор при покупке.
Маркировки ручейковых ремней
Номенклатура ремней основывается на их геометрических характеристиках, среди которых ключевыми являются длина окружности и количество клиньев (или ручейков на шкивах).
В отношении шага в поперечном направлении производители достаточно быстро пришли к унификации, поэтому в маркировке обычно указывается лишь длина и количество рёбер, а иногда также особенности профиля клиньев.
Маркировка приводных ремней представляет собой важный элемент, который помогает пользователям правильно выбрать и установить детали. Эксперты отмечают, что каждая буква и цифра в маркировке несет определенную информацию. Например, первая часть обозначает ширину ремня, а последующие цифры указывают на его длину и профиль. Это позволяет избежать ошибок при замене и гарантирует совместимость с конкретными механизмами. Кроме того, специалисты подчеркивают, что понимание маркировки помогает в выборе ремней, способных выдерживать определенные нагрузки и температуры. Таким образом, знание расшифровки маркировки является ключевым фактором для обеспечения надежности и долговечности работы оборудования.

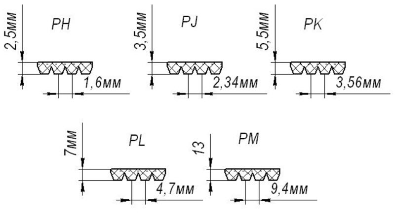
Тип профиля
Большинство ремней, используемых в легковых автомобилях, имеют стандартную толщину плоского поликлина 5,5 мм, что обозначается буквами PK. При этом шаг составляет 3,56 мм.
Существуют и менее распространённые параметры профиля, но они, как правило, являются исключением или предназначены для специфических задач. Однако сам клин почти всегда имеет трапециевидную форму с треугольной впадиной.
Сечение ремня выбирается так, чтобы каждый ручей взаимодействовал исключительно с боковыми гранями трапеции, что обеспечивает оптимальное сцепление со шкивом.
Количество ручьёв может варьироваться от 3 и более. Чем больше это число, тем большую мощность можно передать без риска проскальзывания. Обычно встречаются 3, 4, 5 и 6 ручьёв.
После указания числа рёбер и типа профиля указывается общая длина ремня в миллиметрах. Допускается небольшое отклонение в пределах 5 мм, которое регулируется натяжителем.
| Символ/Буква | Значение | Пояснение |
|---|---|---|
| Z, A, B, C, D, E | Профиль ремня | Обозначает форму поперечного сечения ремня (трапециевидный, клиновой и т.д.) и его размеры. Чем дальше буква по алфавиту, тем крупнее профиль. |
| SPZ, SPA, SPB, SPC | Узкоклиновой профиль | Улучшенная версия стандартных клиновых ремней, обеспечивающая большую передаваемую мощность при меньших размерах. |
| XPZ, XPA, XPB, XPC | Зубчатый узкоклиновой профиль | Узкоклиновой ремень с зубцами на внутренней стороне для лучшей гибкости и снижения тепловыделения. |
| AVX | Автомобильный клиновой ремень | Специальный профиль, разработанный для использования в автомобильных двигателях. |
| HTD, STD, RPP, MR | Зубчатый (синхронный) профиль | Используется для точной синхронной передачи движения без проскальзывания. Различаются формой зуба. |
| L, H, XH, XXH | Шаг зубчатого ремня (дюймовый) | Обозначает расстояние между центрами соседних зубьев в дюймах. |
| 3M, 5M, 8M, 14M | Шаг зубчатого ремня (метрический) | Обозначает расстояние между центрами соседних зубьев в миллиметрах. |
| Li | Внутренняя длина | Длина ремня по внутренней окружности, обычно указывается в миллиметрах или дюймах. |
| Lp, Lw, Ld | Расчетная длина | Длина ремня по нейтральной линии (линии, где не происходит растяжения или сжатия). |
| La, Le | Внешняя длина | Длина ремня по внешней окружности. |
| ISO | Международный стандарт | Указывает на соответствие ремня международным стандартам качества и размеров. |
| DIN | Немецкий стандарт | Указывает на соответствие ремня немецким промышленным стандартам. |
| ГОСТ | Государственный стандарт | Указывает на соответствие ремня государственным стандартам, принятым в странах СНГ. |
| 2000 | Длина ремня | Числовое значение, обычно указывающее длину ремня в миллиметрах (например, 2000 мм). |
| 10 | Ширина ремня | Числовое значение, указывающее ширину ремня в миллиметрах (для плоских ремней) или количество ручьев (для многоручьевых). |
| -V | Многоручьевой ремень | Обозначает, что ремень состоит из нескольких соединенных клиновых ремней. |
| -M | Метрическая система | Указывает, что размеры ремня указаны в метрической системе. |
| -I | Дюймовая система | Указывает, что размеры ремня указаны в дюймовой системе. |
Интересные факты
Вот несколько интересных фактов о маркировке приводных ремней:
-
Кодировка размеров: Маркировка приводных ремней часто включает в себя информацию о длине и ширине ремня. Например, обозначение «B57» может означать, что ремень имеет ширину 1/2 дюйма и длину 57 дюймов. Это позволяет быстро определить, подходит ли ремень для конкретного применения.
-
Материалы и технологии: Некоторые маркировки могут указывать на материал, из которого изготовлен ремень, например, «EPDM» (этилен-пропилен-диеновый мономер) или «Neoprene» (неопрен). Эти материалы обладают различными свойствами, такими как устойчивость к температурным колебаниям и химическим веществам, что делает их подходящими для разных условий эксплуатации.
-
Классификация по типам: Приводные ремни могут классифицироваться по типам, таким как V-образные, зубчатые или плоские. Каждая из этих категорий имеет свои уникальные характеристики и применения, и маркировка может содержать информацию о типе ремня, что помогает пользователям выбрать правильный продукт для своих нужд.

Дата изготовления и материал
Старение материала ремня требует указания даты его производства. Однако не все производители следуют этому правилу, ограничиваясь лишь информацией на упаковке, где требования более строгие.
Иногда дата представлена в формате восьмизначного числа, которое включает день, месяц и год выпуска. Либо она может быть указана короче — в виде номера недели и двух последних цифр года. Стандартизации в этом вопросе не существует.
Зато производители с удовольствием делятся закодированной информацией о своих уникальных технологиях производства.
В описании указывается материал гибкой основы и корда, например, EPDM — этиленпропилен-диеновый полимер. Другие аббревиатуры обычно ссылаются на фирменные информационные материалы, которые обновляются с выходом новых серий ремней.
Существуют эластичные ремни, которые не требуют натяжителя. Они устанавливаются на точно подобранные шкивы и при небольшом растяжении обеспечивают необходимый натяг на протяжении всего срока службы.
Эта тенденция активно развивается и охватывает множество производителей автомобилей. Использование обычного ремня с жестким кордом в таких случаях недопустимо. Эластичные ремни обозначаются буквами E или EE.
- EPDM — Этиленпропилен-диеновый полимер.
- SBR — Стирол-бутадиеновый каучук.
- CR — Хлоропрен.
- HNBR — Гидрированный бутадиенакрилонитрильный полимер.
Материал и форма плоского ремня позволяют достаточно легко интегрировать его в сложные системы шкивов, где предусмотрен обратный выгиб.
В таких случаях изделие будет работать внешней поверхностью, не передавая мощность, а обеспечивая необходимые углы охвата. Однако такую возможность следует дополнительно уточнять в материалах производителей.
Маркировка клиновых ремней
Эти изделия оснащены одним трапециевидным клином, что значительно упрощает процесс маркировки.

Расшифровка ГОСТ
Согласно ГОСТ, тип профиля обозначается одной буквой или цифрой «0», а также указывается длина в миллиметрах. Для легковых автомобилей предусмотрены типовые профили «0» и «А». Ширина этих профилей составляет 10 или 13 мм по более широкой стороне трапеции. В настоящее время такие профили практически не применяются.
Международные нормативы ISO
Чаще всего ремни, включая те, что предназначены для отечественных автомобилей, стандартизируются по ISO. Это довольно простая система обозначений, если рассматривать только автомобильные клиновые ремни.
Маркировка представляется в формате, например, AVX10-750, и ее расшифровка не вызывает затруднений.
- AVX – это профиль, который указывает на соотношение ширины и высоты трапеции в поперечном сечении.
- 10 – это основной размер ширины, после чего указывается длина в миллиметрах.
Соблюдение указанных типоразмеров при замене ремня гарантирует его правильное размещение на шкиве. Ремень должен работать боковыми гранями клина и не касаться его дна, иначе могут возникнуть пробуксовки и шум.
Стандарт RMA
RMA – это американский стандарт, использующий дюймовую систему измерений. Он состоит из числа и буквы V, которые вместе обозначают ширину в десятых долях дюйма.
Следующей характеристикой является длина, также выраженная в десятых дюйма. Если в обозначении присутствует буква X, это указывает на наличие крупного зуба у основания ремня, который предназначен для повышения гибкости и долговечности. Однако важно, чтобы зуб не соприкасался с дном шкива.
Немецкий стандарт DIN
В данной системе все организовано с немецкой простотой и точностью. Вам понадобятся всего два параметра: максимальная ширина трапеции профиля и длина окружности по нижней грани, все в миллиметрах. Иногда в скобках указывается соответствующий профиль по стандарту ISO.
Приводной ремень для вспомогательных агрегатов настолько универсален, что в большинстве случаев его можно подобрать без обращения к каталогу деталей автомобиля.
Достаточно знать типоразмер по ширине трапеции, которых не так много, и измерить длину, основываясь на положении шкивов или используя старый или порванный ремень.
Далее можно воспользоваться каталогами, куда достаточно ввести, например, 6PK1250 для поликлинового ремня или AVX13х625 для клинового, конечно же, с конкретными числовыми значениями. Обычно удается найти необходимое изделие с приемлемыми сроками поставки и ценой.
Даже если вы воспользуетесь каталожным номером детали, вам предложат альтернативы с обозначениями по стандартам ISO или DIN. Это значительно расширит возможности поиска подходящего аналога, позволяя выбрать продукцию от известных компаний, отличающихся качеством и доступностью.
Размеры и длина ремня
При выборе приводного ремня важным аспектом является его размер и длина, которые напрямую влияют на эффективность работы механизма. Маркировка ремней обычно содержит информацию о длине и размерах, что позволяет легко определить, подходит ли данный ремень для конкретного применения.
Размеры приводных ремней могут обозначаться в различных единицах измерения, в зависимости от стандарта, принятого в конкретной стране или регионе. Наиболее распространенными являются миллиметры и дюймы. Например, в Европе часто используется метрическая система, где длина ремня указывается в миллиметрах, а в США — в дюймах.
Длина ремня — это один из ключевых параметров, который необходимо учитывать при его выборе. Она измеряется по внутреннему периметру ремня и обозначается как «L» в маркировке. Например, если на ремне указано «L 1000», это означает, что его длина составляет 1000 мм. Важно помнить, что длина ремня должна соответствовать расстоянию между шкивами, на которые он будет надет, с учетом всех необходимых натяжений.
Кроме длины, маркировка может содержать и другие размеры, такие как ширина и профиль ремня. Ширина обозначается буквой «W» и указывает на размер поперечного сечения ремня. Например, «W 20» означает, что ширина ремня составляет 20 мм. Профиль ремня также может быть обозначен в маркировке, например, «A», «B» или «C», что указывает на форму сечения ремня. Эти параметры важны для обеспечения правильной посадки ремня на шкивах и предотвращения его проскальзывания или повреждения.
Также стоит отметить, что существуют различные типы приводных ремней, такие как клиновые, зубчатые и плоские, и каждый из них имеет свои особенности в маркировке. Например, зубчатые ремни могут иметь дополнительные обозначения, указывающие на количество зубьев и шаг зуба, что также влияет на их совместимость с конкретными шкивами.
В заключение, правильный выбор размеров и длины приводного ремня является критически важным для обеспечения надежной работы механизма. При расшифровке маркировки ремня необходимо учитывать все указанные параметры, чтобы избежать проблем с установкой и эксплуатацией. Рекомендуется всегда сверяться с технической документацией и рекомендациями производителя для достижения наилучших результатов.
Вопрос-ответ
Как расшифровать номера приводных ремней?
Первые две цифры указывают ширину верхней части ремня: 67 = 3/8 дюйма, 68 = 1/2 дюйма, 69 = 21/32 дюйма. Последние две цифры указывают длину в дюймах. Пример: ремень 6823 имеет ширину верхней части 1/2 дюйма и наружный диаметр 23 дюйма. Изготовлен путем соединения двух или более одинарных клиновых ремней с помощью постоянной высокопрочной стяжной ленты.
Что означают надписи на ремне генератора?
Маркировка ремня генератора в RMA, использующая одну букву, повторяет международную ISO: профили по символам совпадают, а измерение длины происходит в миллиметрах по внутренней грани (Li). В цифробуквенной маркировке буква отображает единицы измерения: V – в 1/10 дюйма, N – в миллиметрах.
Советы
СОВЕТ №1
Изучите основные обозначения и символы, используемые в маркировке приводных ремней. Это поможет вам быстрее ориентироваться в характеристиках и выбрать подходящий ремень для вашего оборудования.
СОВЕТ №2
Обратите внимание на размеры ремня, такие как длина, ширина и профиль. Эти параметры критически важны для правильной установки и функционирования ремня, поэтому всегда сверяйтесь с технической документацией вашего устройства.
СОВЕТ №3
Не забывайте о материалах, из которых изготовлены ремни. Разные материалы могут иметь различные свойства, такие как устойчивость к температуре и химическим веществам, что влияет на срок службы ремня в конкретных условиях эксплуатации.
СОВЕТ №4
При замене ремня всегда проверяйте состояние других компонентов системы, таких как шкивы и натяжители. Это поможет избежать преждевременного износа нового ремня и обеспечит надежную работу всего механизма.






